人工智能、云计算、区块链、ChatGPT等技术的发展涉及海量数据的计算、存储等,这些都离不开数据中心的建设,因此,数据中心已成为现代技术发展不可或缺的基础设施。数据中心机房的建设涵盖诸多方面,包括机房选址、设备布置、建筑、结构、空调系统、消防与安全等。作为民用公共建筑的重要工程,数据中心的电气设计尤为重要,需综合考虑供配电系统设计、系统冗余、防静电工程、不间断电源(UPS)系统、防雷接地系统、网络与综合布线系统、消防报警等各个方面。
本文以某数据中心的配电设计案例为例,阐述具体的设计分析,为类似设计提供更多的参考。
1 项目概况
某数据中心机房单体建筑面积约为11 351㎡,地上4层,室外地下设置储油罐,主要功能用房为数据机房、配电室、电力电池室、冷冻站、柴油机房等,另根据功能要求配置辅助公共区域为钢瓶间、备品备件室、卸货区等。1层主要功能为柴油发电机房、高压配电室、冷冻机房、弱电接入间、数据机房及配套设施、钢瓶间及建筑辅助功能(如消防及安保监控室)等,建筑面积为3 154㎡;2~4层每层设置2个数据机房,设置数据机房、低压配电室、电池室等,面积在2 607~2 692㎡。1层层高为6.2m, 2~4层层高为5.2m, 建筑总高度<24m。
2 供配电系统设计
2.1 机房IT设备供电方案
IT设备供电系统的主要功能是为机房的IT设备提供不间断、高品质的电源保障。参考GB 50174—2017《数据中心设计规范》的相关规定[1],数据中心机房可划分为A、B、C 3类。本文所讨论的类型仅限于A类机房,根据标准的要求,不间断电源宜采用2N或N+1配置。数据中心常见的供电类型如表1所示。
表1 数据中心常见的供电类型

2N+UPS方案由2个配电单元同时工作,互为备用。正常运行时,每个单元向负载提供50%电能,当一个单元故障停止运行时,另一个单元向负载提供100%的电能[2]。2N+UPS供电方案示意图如图1所示。本项目为区域电信机房,经比选确定选用2N+UPS方案。UPS电源分层设置、同层供电,主备系统物理分隔。
图1 2N+UPS供电方案示意图


2.2 空调系统供电方案
空调供电系统供电范围包括冷水机组、冷却泵、冷冻泵、冷却塔、冷冻水末端、风冷精密空调、多联机等。空调供电系统包括以下2种类型。
(1) 双路市电:
包括冷水机组、冷却泵、空调冷却塔、多联机、风冷精密空调。2路市电采用自动转换开关(ATS)自动转换。
(2) UPS+市电双路供电:
包括机房冷冻水末端、冷冻泵。2路电源采用自动转换开关(ATS)自动转换。
2.3 自备电源供电方案
根据GB 50174—2017《数据中心设计规范》第 8.1.12条的规定,A级机房应设置备用电源。备用电源可选择发电机组或独立的专用馈电线路。鉴于柴油发电机组相比于专用馈电线路有较大的可操作性,目前大部分数据中心的备用电源都采用柴油发电机组[3]。
柴油发电机组电压等级分为10 kV和0.4 kV。高低压机组在发动机、尺寸、安装方式等方面基本相同,但在相同容量下,出口电流相差25倍。高低压机组技术特性对比如表2所示。
表2 高低压机组技术特性对比

鉴于数据中心对备用电源的需求较大,综合考虑备用容量、线路并机、线路损耗等因素,本项目采用10 kV高压柴油发电机组。
2.4 动力环境集中监控系统
动力环境集中监控系统采用监控单元、楼栋监控站两级架构,楼栋监控站设置在监控室内。
动力环境集中监控系统监控对象包括全部电源、空调设备、机房温湿度。另外,机房水浸功能由空调自带监测功能提供,门禁、视频监控由专门的安防系统实现,可接入动力环境监控系统。
2.5 配电系统谐波抑制措施
本项目中变频空调机组、UPS均产生较大的谐波电流,易造成柴油发电机组电压畸变、电流谐振及频率振荡,从而影响机组的带载能力。为降低谐波影响,选用IGBT整流型UPS,并且配置动力环境集中监控系统实现平稳的负荷顺序加、减载。
3 案例解析
3.1 负荷等级
本项目参考GB 50174—2017《数据中心设计规范》中A级建设标准,供电要求参考该规范附录A中的A级要求执行。IT设备、冷冻站、建筑负荷用电(包含消防设备用电、应急照明用电)按一级负荷中的特别重要负荷供电,电梯、走道照明等按二级负荷供电,其余用电按三级负荷供电。鉴于本项目中二、三级用电占比非常小,全部简化为一级负荷供电。
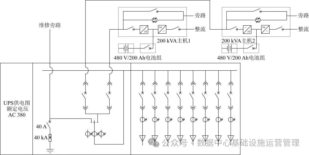
3.2 机房IT设备用电
数据中心单机机柜功率是为了规范机房内设备的用电安全和能源利用效率而制定的,是指机柜内所有电子设备的总用电功率,包括计算设备、网络设备、存储设备等。这是衡量数据中心能耗和散热设计的重要指标,直接关系到数据中心的稳定性、节能效果和业务运行效率[4]。目前,国内外对单机机柜功率并无统一标准,通常在2~30 kW,高端数据中心可达50 kW。
功率在2~5 kW的低功率机柜适用于传统企业的应用系统、小型数据库等。功率在5~10 kW的中功率机柜适用于高性能、高密度的应用场景。功率在10~30 kW的高功率机柜适用于超级计算、高端存储、大数据应用等[5]。综合考虑空间大小、散热、服务器功率等因素,并结合使用方的接受度后,本项目选用5.5 kW的单机机柜。
本项目数据中心拟建1 204个服务器机柜。单机柜功耗取5.5 kW,同时系数取0.8,UPS输出功率因数按0.9配置,最大负载率取80%,蓄电池后备时间为0.5 h, 各层各类机房负荷确定如下。
(1) 1层机房,共计64个机柜,功率需求281.6
kW,配置2对200 kVA UPS,每对UPS为1套系统,输出功率为288 kW。
(2) 2~4层机房,每层380个机柜,功率需求1 672
kW,配置4对600 kVA UPS,每对UPS为1套系统,每层输出功率按1 728 kW配置。
(3) 每套系统配置2台UPS主机,每台主机配置1组阀控蓄电池。
每套系统设置1套UPS输出柜,输出柜同时从UPS主机和低压配电柜引入电源,主用电源为UPS主机输出电源,低压配电柜引入电源为检修电源,2类电源闭锁运行,最多只能有1类电源处于合闸输出状态。
(4) 机架采用传统电源头柜供电方案。
每列机架设置1台电源头柜,头柜设置对称的2个回路,从每套UPS系统引入1路电源,每台机柜从头柜2个回路各引入1路电源。
IT设备UPS供电系统图如图2所示。
图2 IT设备UPS供电系统图


3.3 空调系统UPS配置
空调用UPS电池后备时间为0.5 h。每套系统配置UPS主机1台、蓄电池1组、输出柜1套。UPS系统负载按变频考虑,主机输出功率≥1.1倍负载。UPS主机平时运行在经济运行模式。输出柜同时从UPS主机和低压配电柜引入电源,主用电源为UPS主机输出电源,低压配电柜引入电源为检修电源,2类电源闭锁运行,最多只能有1类电源处于合闸输出状态。空调UPS供电系统图如图3所示。
本项目UPS系统配置如下。
(1) 1层机房,供电负荷包括冷冻泵、1楼机房空调末端。配置1组400 kVA UPS系统。
(2) 2~4层机房,供电范围为各层机房空调末端,每层各配置1组200 kVA UPS系统。
3.4 负荷计算
数据中心用电主要由IT设备、制冷系统、供配电系统及建筑用电构成。其中,IT设备用电可占用总用电量的40%~50%,制冷系统可占用总用电量的30%~40%,供配电系统可占用总用电量的10%~15%,建筑用电可占用总用电量的5%~10%。
图3 空调UPS供电系统图


负荷计算如表3所示。
表3 负荷计算


3.5 高压供电系统
根据表3计算结果,每路市电运行视在功率为8 369 kVA,变压器装机容量按10 000 kVA设置引入。2路市电独立设置高压配电系统,每套高压系统分别设置进线柜、计量柜、高压切换柜、PT及避雷器柜、出线柜。高压配电柜具备“五防”性能,采用微机保护,高压切换单元配置负荷逐级投切管理系统。高压配电柜上进线、上出线。每套系统独立设置房间,实现物理隔离。高压配电柜设置电能计量柜,实现计量总电量。
3.6 低压供电系统
根据计算结果,每层机房各设置2×2 500 kVA变压器/低压系统,每组变压器独立设置机房,平时独立运行,必要时可由其中1套承担全部负荷。无功补偿全部在低压侧实现,补偿后的功率因数≥0.95。
根据配电需求,每套低压系统相应设置进线柜、联络柜、电容补偿柜、配出柜。低压配电柜上进线、上出线。
3.7 自备电源
根据负荷计算,本项目采用10kV高压柴油发电机组,柴油发电机组采用N+0配置,无备用机组,油罐按8h运行需求考虑。共配置5台2000kW机组,机组并联运行、平均负荷输出。机房内每台机组配置1m³日用油箱1个,另在室外配置25m³地下油罐1个。供配电主接线图如图4 所示。
图4 供配电主接线图


4 结 语
数据中心中存储着大量的数据信息,这些信息中蕴含着巨大的研究价值和商业价值,作为承载这些信息的数据中心必须具备稳定可靠的供配电系统。供配电系统的设计和运行质量直接影响数据中心的可用性和安全性。合理的供配电系统架构对于数据中心的可靠运行和节能环保至关重要。
来源:网络 版权归原作者
